
Focus on drying equipment
藥用型GMP烘箱
廠家供應 / 非標定制
專注于提供一站式干燥設備解決方案20多年
產品說明
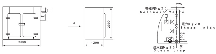
◎加熱熱源有蒸汽、電、電蒸汽兩用型三種方式。
◎使用溫度:蒸汽加熱50-140℃,最高150℃;電加熱50-350℃;
◎溫度實行自動控制,并且有記錄儀記錄;
◎箱體內壁均滿焊,各過渡處均采用圓弧過渡,無死角。
◎整機密封性好,獨特的導軌密封裝置,保證了整機的密封性;
◎進風口配套高效空氣過濾器;排濕口配套中效空氣過濾器。
◎雙開門烘箱雙門實現機械聯鎖;
◎烘箱內各零部件均可快速拆卸、快速安裝,以方便清洗;
◎控制系統備有文本顯示器、觸摸屏可供選擇;
◎整機符合“GMP”要求。

安裝示意圖

技術規格
| 型號規格 | 每次干燥量(kg) | 風機功率(kw) | 耗用蒸氣(kg/h) | 烘車((輛)(set) | 烘盤(只) | 寬×深×高(mm) | 上下溫度(℃) |
| GMP-O | 35 | 0.45 | 8 | / | 16 | 1130×1100×1750 | ±2 |
| GMP-I | 120 | 0.45 | 18 | 2 | 48 | 2300×1200×2000 | ±2 |
| GMP-II | 240 | 0.9 | 36 | 4 | 96 | 2300×2200×2000 | ±2 |
| GMP-III | 360 | 1.35 | 54 | 6 | 144 | 3430×2200×2000 | ±2 |
| GMP-IV | 480 | 1.8 | 72 | 8 | 192 | 4460×2200×2290 | ±2 |
Applicable Materials - Binda Drying
適用物料 ? 彬達干燥
誠信立足,創新致遠

IE expo China 2025第26屆中國···
25.04.26<中標項目>1000噸年衢枳殼活性物提取建設--···
25.04.092025成都國際環保博覽會順利閉幕!下一站,上海···
25.04.06《展會資訊》2025/4/21-23日,IE e···
25.03.28《展會資訊》2025/4/1-3日,成都國際環保···
25.03.28噴霧干燥機的應用領域與操作維護
25.01.18噴霧干燥機的工作原理與性能特點
25.01.18PLG2200*14層橡膠助劑盤式連續干燥機已在···
24.05.27漂洋過海,再續前緣
24.04.08再次啟動,硫酸銨干燥生產線定制中......
24.02.26